描述
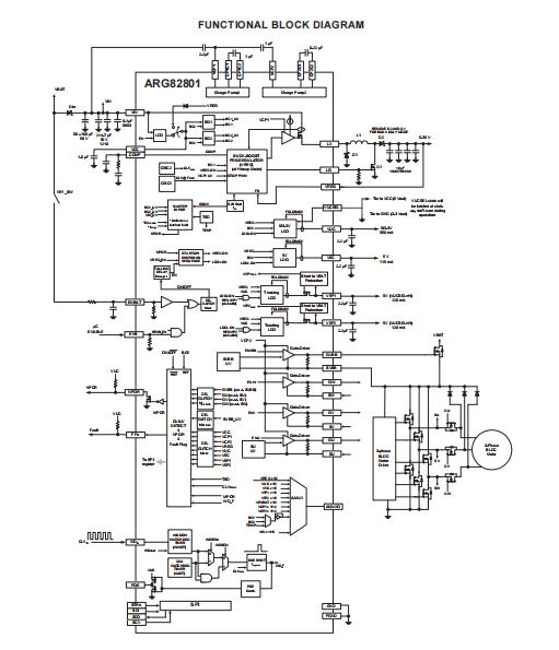
ARG82801是一个电源管理集成电路,集成了一个美元或美元/升压预调节器,四个ldo,和四个浮动门驱动器。预调节器使用降压或降压/升压拓扑结构,有效地将汽车电池电压转换为严格调节的中间电压,并提供控制、诊断和保护。
预调节器的输出提供一个3.3V或5.0V可选择的350 mA的线性调节器,一个5V/115mA的线性调节器,和两个120 mA的受保护的线性调节器,以跟踪VUC的输出。ARG82801旨在为微处理器、传感器和CAN收发器提供电力,是底层应用的理想选择。
独立的浮动栅极驱动器具有通过SPI控制n通道mosfet的能力。这些mosfet可以配置为大电流电机应用程序中的相位或电池隔离装置。集成充电泵允许驱动器输出在高相电压旋转率的全供电范围内保持功率MOSFETs处于接通状态。使对ARG82801的输入包括逻辑电平(ENB)和高电压(ENBAT)。ARG82801还提供了通过串行外围接口(SPI)禁用单个输出导轨的灵活性功能。
来自ARG82801的诊断输出包括电源复位输出(NPOR)和故障标志输出(FFn),以提醒微处理器已发生故障。微处理器可以通过SPI读取故障状态。双带隙,一个用于调节,另一个用于故障检查,提高了ARG82801的安全覆盖范围和故障检测能力。
ARG82801包含两种类型的看门狗功能:问答和窗口看门狗计时器。看门狗计时器从处理器接收到有效的SPI命令就被激活。看门狗可以放入闪存模式或通过安全的SPI命令重置。
ARG82801采用低轮廓(最高1.2mm)38导线eTSSOP封装(后缀“LV”),带暴露电源垫。
功能和好处
•2英寸™ 安全关键系统的产品设备特性
•汽车AEC-Q100合格
•宽输入电压范围,3.8至36 VIN工作范围,
最大40 VIN
•2.2 MHz降压或降压/升压预调节器(VREG:5.35 V)
•四个内部线性调节器,带折返短路
保护
□ VUC:可选输出(3.3 V/5.0 V)调节器
微控制器
□ V5C:5V通用LDO稳压器
□ V5P1和V5P2:两个LDO调节器(轨道VUC
电压),具有远程对电池短路保护
传感器
•问答看门狗和窗口看门狗定时器
•带有外部电荷泵的浮栅驱动器
隔离器NFET控制
•通过串行总线进行控制和诊断报告
外围接口(SPI)
•微处理器控制的逻辑启用输入(ENB)
•点火启用输入(ENBAT)
•频率抖动和受控转换速率有助于降低
电磁干扰/电磁兼容
•所有输出轨的欠压保护
•热关机保护
•–40°C至150°C结温范围
应用
为汽车控制模块中的(微控制器/DSP、CAN、传感器等)和高电流隔离FET栅极驱动器提供系统电源,例如:
电子动力转向(EPS)
□ 高级制动系统(ABS)
□ 其他汽车应用

