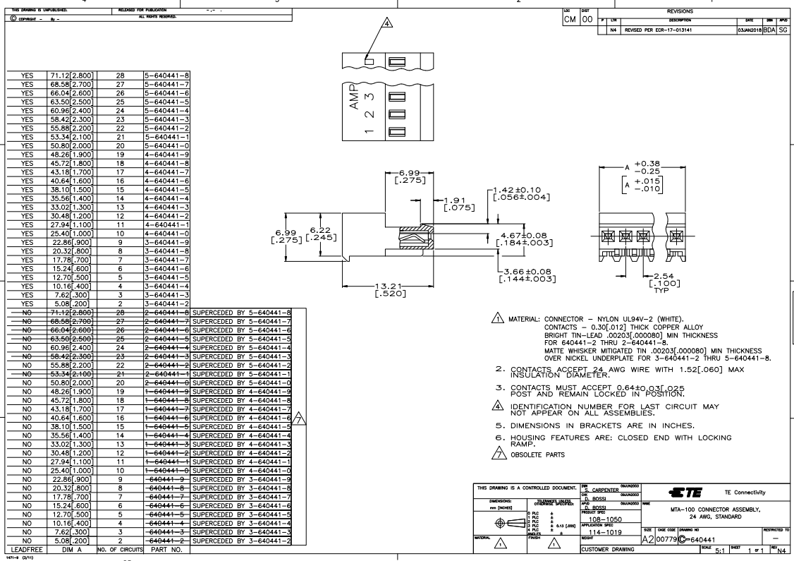
3-640441-2
规格信息:
制造商:TE Connectivity
产品种类:集管和线壳
RoHS:是
产品:Wire Housings
类型:Receptacle Assembly
位置数量:2 Position
节距:2.54 mm
排数:1 Row
安装风格:Free Hanging
端接类型:IDC
触点类型:Socket (Female)
触点电镀:Tin
系列:MTA-100
商标名:MTA
封装:Bulk
电流额定值:5 A
外壳材料:Nylon
电压额定值:250 VAC
商标:TE Connectivity / AMP
触点材料:Copper Alloy
闭锁类型:Ramp Lock
产品类型:Headers & Wire Housings
工厂包装数量:500
子类别:Headers & Wire Housings
线规:24
零件号别名:3-640441-2
单位重量:1.078 g

