描述
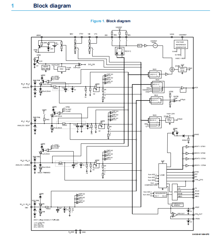
L9966是一种汽车级集成电路,设计用作传感器接口。最多有15个通道可用于模拟传感、电阻测量和数字传感(例如,温度、电压、压力、位置传感器)。
L9966允许更换一些离散的组件,它提供了在不同的应用程序中改变传感器的可能性,而不修改PCB硬件。
目标应用程序是发动机控制单元和车身/底盘模块。
特征
•AEC-Q100合格
•12 V和24 V系统兼容(工作电池供电电压5.5 V-36 V)
•具有15个总输入的可编程接口:
–12用于连接外部模拟负载(连接到VVAR、VDD5
和夹紧蓄电池VPRE,带电阻测量)
◦ 4还具有λ传感器功能
◦ 4还具有发送功能
–3用于连接外部数字交换机(连接到VPRE)
•可编程上拉/下拉电流源
•集成精确电阻测量
•用于电压测量的12位ADC
•用于电阻测量的15位ADC
•可变磁阻传感器/霍尔传感器接口
•1个模拟输出通道+4个数字输出通道
•用于设备配置和数据通信的SPI接口
•过热保护
•热阻Rth(j-c)=3 K/W


