描述
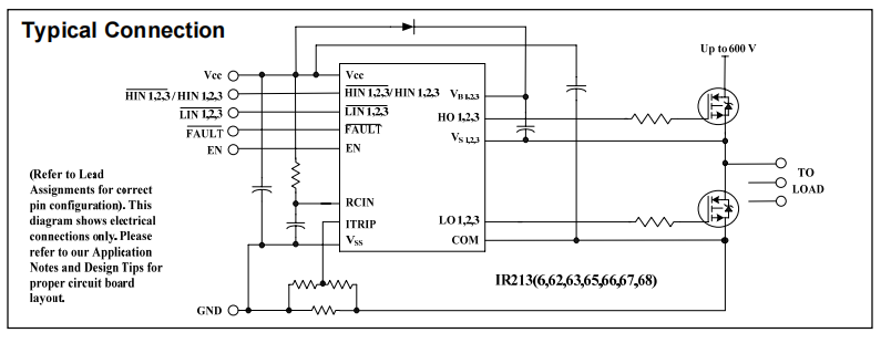
IR2136x(J&S)是高压、高速功率的MOSFET和IGBT驱动器,具有三个独立的高、低侧参考输出通道,用于三相应用。专有的HVIC技术使坚固的单片结构成为可能。逻辑输入与CMOS或LSTTL输出兼容,至3.3V逻辑。终止所有六个输出的电流跳闸功能可以从外部电流感应电阻器导出。有一个启用功能,可以同时终止所有六个输出。开路漏极故障信号指示发生过电流或欠压停机。
通过连接到RCIN输入的RC网络进行外部编程后,自动清除过流故障条件。输出驱动器具有一个高脉冲电流缓冲级,设计为最小的驱动器交叉传导。匹配传播延迟以简化在高频应用中的使用。浮动通道可用于驱动n通道功率mosfet或igbt在高侧配置,运行高达600V。
特征
•设计用于引导操作的浮动通道
•在+600 V下完全运行
•耐受负瞬态电压,dV/dt免疫
•栅极驱动电源范围为10 V至20 V(IR2136/
IR21368)、11.5 V至20 V(IR21362D)或12 V至20 V(IR21363/IR21365/IR21366/IR21367)
•所有通道的欠压锁定
•过电流关机关闭所有六个驱动器
•独立的3个半桥驱动器
•所有信道的匹配传播延迟
•交叉传导预防逻辑
•低压侧输出与输入不同步。高压侧输出
异相(IR213(6,63,65,66,67,68))或同相(IR21362)带输入
•3.3 V逻辑兼容
•较低的di/dt栅极驱动,具有更好的抗噪性
•用于自动故障清除的外部可编程延迟
•所有零件均无铅


