Introduction
The MC68332, a highly-integrated 32-bit microcontroller, combines high-performance data manipula
tion capabilities with powerful peripheral subsystems. The MCU is built up from standard modules that
interface through a common intermodule bus (IMB). Standardization facilitates rapid development of
devices tailored for specific applications.
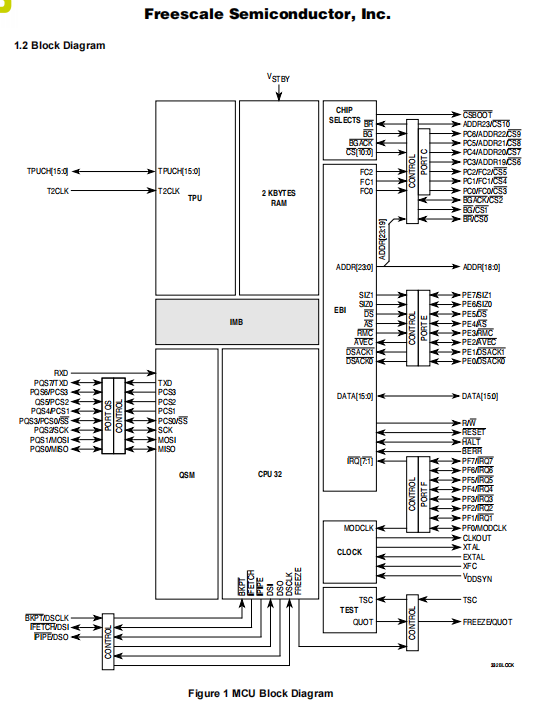
The MCU incorporates a 32-bit CPU (CPU32), a system integration module (SIM), a time processor unit
(TPU), a queued serial module (QSM), and a 2-Kbyte static RAM module with TPU emulation capability
(TPURAM).
The MCU can either synthesize an internal clock signal from an external reference or use an external
clock input directly. Operation with a 32.768-kHz reference frequency is standard. The maximum sys
tem clock speed is 20.97 MHz. System hardware and software allow changes in clock rate during op
eration. Because MCU operation is fully static, register and memory contents are not affected by clock
rate changes.
High-density complementary metal-oxide semiconductor (HCMOS) architecture makes the basic power
consumption of the MCU low. Power consumption can be minimized by stopping the system clock. The
CPU32 instruction set includes a low-power stop (LPSTOP) command that efficiently implements this
capability.
Features
• Central Processing Unit (CPU32)
— 32-Bit Architecture
— Virtual Memory Implementation
— Table Lookup and Interpolate Instruction
— Improved Exception Handling for Controller Applications
— High-Level Language Support
— Background Debugging Mode
— Fully Static Operation
• System Integration Module (SIM)
— External Bus Support
— Programmable Chip-Select Outputs
— System Protection Logic
— Watchdog Timer, Clock Monitor, and Bus Monitor
— Two 8-Bit Dual Function Input/Output Ports
— One 7-Bit Dual Function Output Port
— Phase-Locked Loop (PLL) Clock System
• Time Processor Unit (TPU)
— Dedicated Microengine Operating Independently of CPU32
— 16 Independent, Programmable Channels and Pins
— Any Channel can Perform any Time Function
— Two Timer Count Registers with Programmable Prescalers
— Selectable Channel Priority Levels
• Queued Serial Module (QSM)
— Enhanced Serial Communication Interface
— Queued Serial Peripheral Interface
— One 8-Bit Dual Function Port
• Static RAM Module with TPU Emulation Capability (TPURAM)
— 2-Kbytes of Static RAM
— May be Used as Normal RAM or TPU Microcode Emulation RAM

