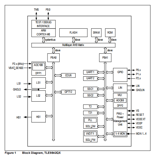
Summary of Features
• 32-bit ARM Cortex-M0 Core
– up to 25 MHz clock frequency
– one clock per machine cycle architecture
– single cycle multiplier
• On-chip memory
– 36 KB Flash (including EEPROM)
– 4 KB EEPROM (emulated in Flash)
– 768 bytes 100 Time Programmable Memory (100TP)
– 2 KB RAM
– Boot ROM for startup firmware and Flash routines
• On-chip OSC
• 2 Low-Side Switches incl. PWM functionality, can be used e.g. as relay driver
• 1 High-Side Switch with cyclic sense option and PWM functionality, e.g. for supplying LEDs or switch panels
(min. 150 mA)
• 4 High Voltage Monitor Input pins for wake-up and with cyclic sense with analog measurement option
• 10 General-purpose I/O Ports (GPIO)
• 6 Analog input Ports
• 10-Bit A/D Converter with 6 analog inputs + VBAT_SENSE + VS + 4 high voltage monitoring inputs
• 8-Bit A/D Converter with 7 inputs for voltage and temperature supervision
• Measurement unit with 12 channels together with the onboard 10-Bit A/D converter and data post processing
• 16-Bit timers - GPT12, Timer 2 and Timer 21
• Capture/compare unit for PWM signal generation (CCU6)
• 2 full duplex serial interfaces (UART1, UART2), UART1 with LIN support
• 2 synchronous serial channels (SSC1, SSC2)
• On-chip debug support via 2-wire SWD
• LIN Bootstrap loader to program the Flash via LIN (LIN BSL)
• 1 LIN 2.2 transceiver
• Single power supply from 3.0 V to 28 V
• Low-dropout voltage regulators (LDO)
• 5 V voltage supply VDDEXT for external loads (e.g. Hall-sensor)
• Core logic supply at 1.5 V
• Programmable window watchdog (WDT1) with independent on-chip clock source
• Power saving modes:
– Micro Controller Unit slow-down mode
• AEC Qualified – Sleep Mode with cyclic sense option – Cyclic wake-up during Sleep Mode – Stop Mode with cyclic sense option • Power-on and undervoltage/brownout reset generator • Overtemperature protection • Short circuit protection for all voltage regulators and actuators (High Side, Low Side) • Loss of clock detection with fail safe mode for power switches • Temperature Range TJ: -40 °C up to 150 °C • Package VQFN-48-31 with LTI feature • Green package (RoHS compliant) Block Diagram
Device Pinout
