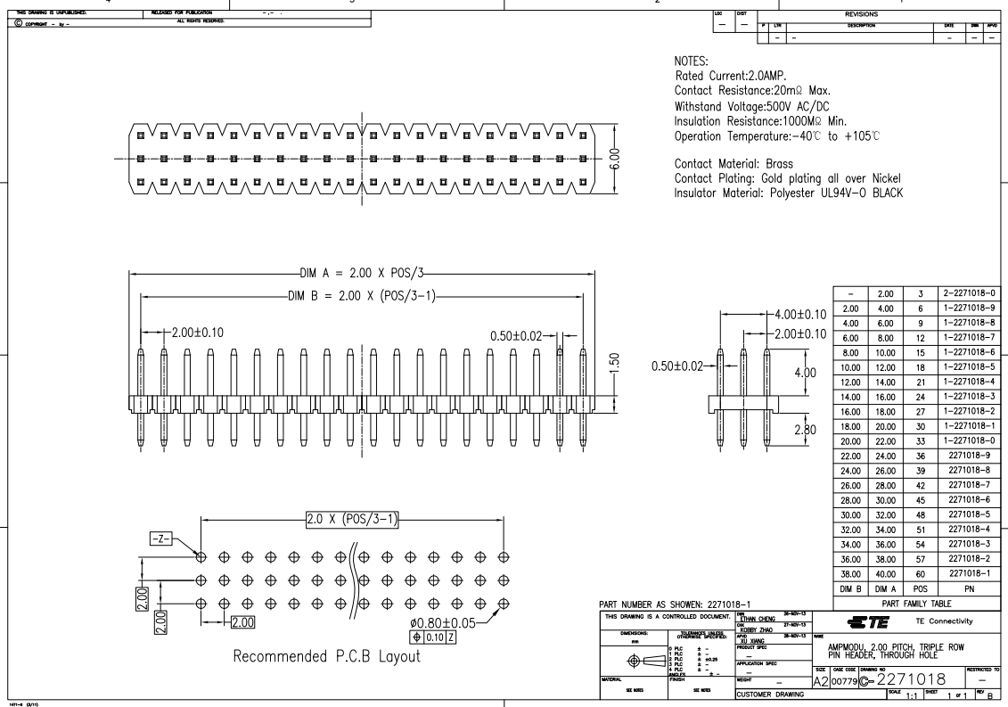
2271018-1 row pin te connector original stockSelection Recommendation / 2022/4/24 12:20:05 2271018-1 row pin te connector original stock