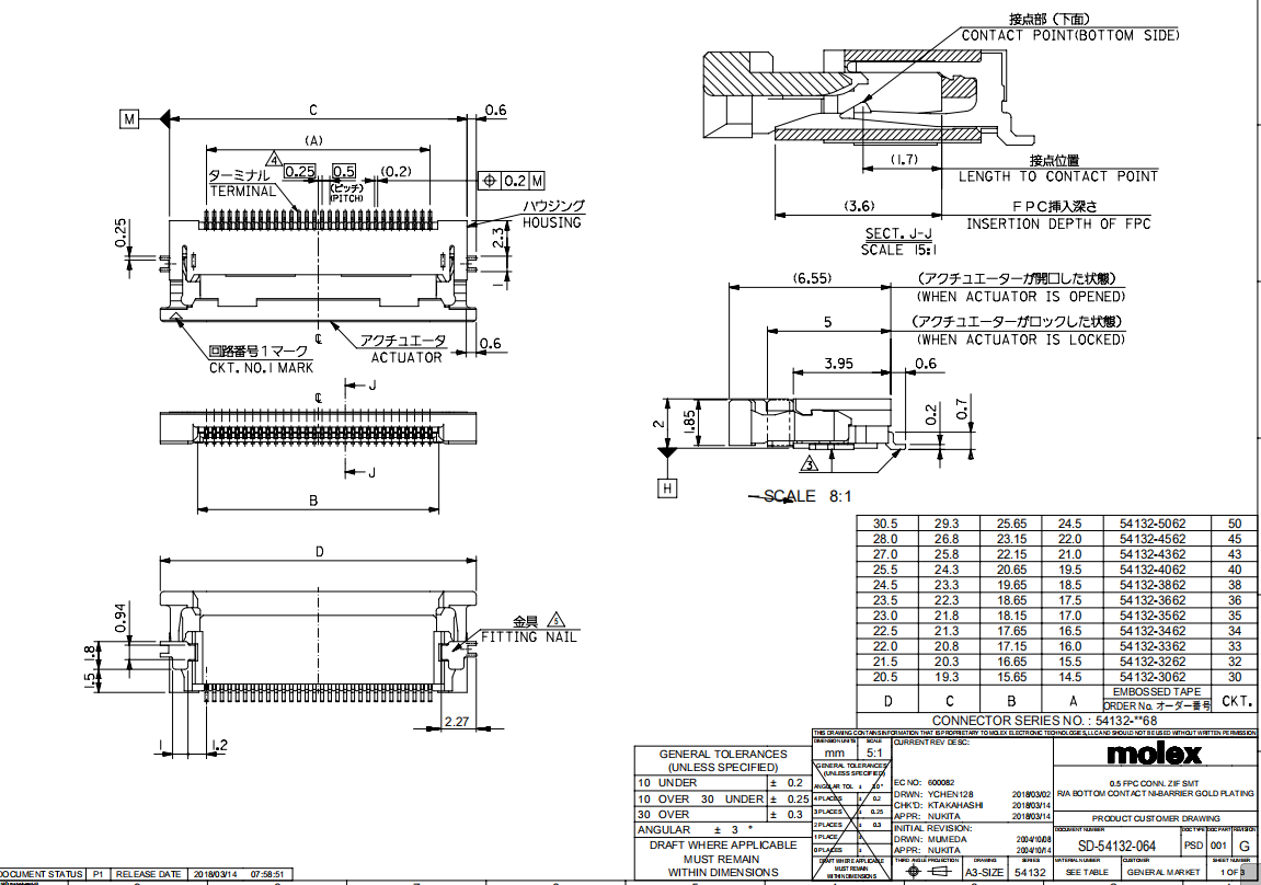
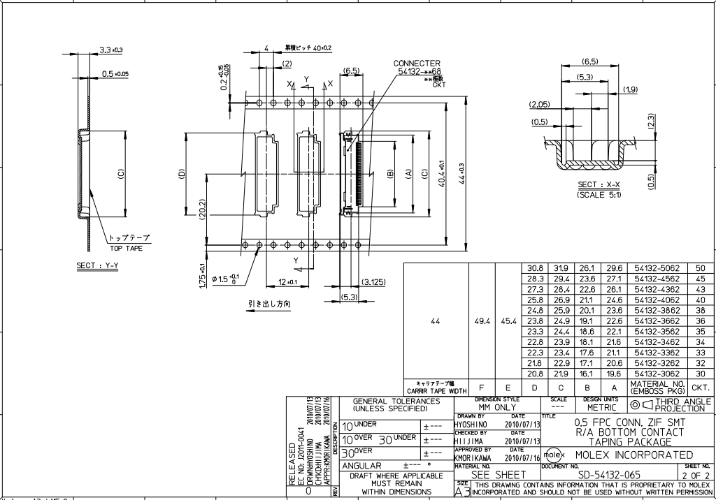
541324062 MOLEX FFC/FPC ConnectorSelection Recommendation / 2022/4/27 15:59:08 541324062Specification information:Type: FPC ConnectorSpacing: 0.5 mmContact points: 40Number of rows: 1Style: Right Angle Installation: Surface Mount