The TPS7A16 family of ultralow power, low-dropout(LDO) voltage regulators offers the benefits of ultra-low quiescent current, high input voltage andminiaturized, high thermal-performance packaging.
The TPS7A16 family is designed for continuous orsporadic (power backup) battery-poweredapplications where ultralow quiescent current iscritical to extending system battery life.
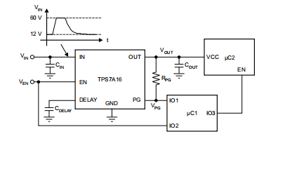
The TPS7A16 family offers an enable pin (EN)compatible with standard CMOS logic and anintegrated open drain active-high power good output(PG) with a user-programmable delay. These pins areintended for use in microcontroller-based, battery-powered applications where power-rail sequencing isrequired.
In addition, the TPS7A16 is ideal for generating alow-voltage supply from multicell solutions rangingfrom high cell-count power-tool packs to automotiveapplications; not only can this device supply a well-regulated voltage rail, but it can also withstand andmaintain regulation during voltage transients. Thesefeatures translate to simpler and more cost-effective,electrical surge-protection circuitry.
Features
• Wide Input Voltage Range: 3 V to 60 V
• Ultralow Quiescent Current: 5 µA
• Quiescent Current at Shutdown: 1 µA
• Output Current: 100 mA
• Low Dropout Voltage: 60 mV at 20 mA
• Accuracy: 2%
• Available in:
– Fixed Output Voltage: 3.3 V, 5 V
– Adjustable Version from 1.2 V to 18.5 V
• Power-Good With Programmable Delay
• Current Limit and Thermal Shutdown Protections
• Stable with Ceramic Output Capacitors: ≥ 2.2 µF
• Packages: High Thermal Performance MSOP-8and SON-8 PowerPAD™
• Operating Temperature Range:
–40°C to 125°C
Applications
• High Cell-Count Battery Packs for Power Toolsand other Battery-Powered Microprocessor andMicrocontroller Systems
• Car Audio, Navigation, Infotainment, and OtherAutomotive Systems
• Smoke and CO2 Detectors and Battery-PoweredAlarm and Security Systems
Typical Application Schematic 
Quiescent Current vs Input Voltage
Want to know more model stock Price
Tel / wechat 13714705290
Brand new, original and attentive service
